cancel
Showing results for 
Search instead for 
Did you mean: 

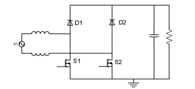
Firmware Of Bridge less Pfc Circuit

nilmanivas
Associate II

I have an Queary ,

How to design Firmware Of Bridge less Pfc Circuit ?

For Below Specifiction 

  • input Voltage is varrible(Comes In AC) 
  • input current is constant (2.8 amps and 6.6amps )
  • output voltage is constant 24vDC
  • output Current Is 1.5Amps

Note : Input Device Name Is Constant Current Regulator .

So kindly Suggest How To Design Firmware And Calculation Of Frequency As Per Circuit (Like Inductor RIpple And All)
Circuit Digram Is Attached .

nilmanivas_0-1765278369484.png

 


Regards,

Nilmani

0 REPLIES 0