STMicroelectronics Community
FAQsSign In
  • Product forums
    • STM32 MCUs
      • STM32 MCUs Products
      • STM32 MCUs Boards and hardware tools
      • STM32 MCUs Software development tools
      • STM32 MCUs Embedded software
      • STM32 MCUs TouchGFX and GUI
      • STM32 MCUs Motor control
      • STM32 MCUs Security
      • STM32 MCUs Wireless
      • Others: STM32 MCUs related
    • STM32 MPUs
      • STM32 MPUs Products and hardware related
      • STM32 MPUs Embedded software and solutions
      • STM32 MPUs Software development tools
    • MEMS and sensors
      • MEMS (sensors)
      • Imaging (sensors)
    • Automotive and Transportation
      • Automotive MCUs
      • AutoDevKit Ecosystem
      • GNSS positioning
    • Edge AI
    • Interface and connectivity ICs
    • Power management
    • ST25 NFC/RFID tags and readers
    • STM8 MCUs
    • Others: hardware and software
    • Analog and audio
  • Knowledge base
    • STM32 MCUs
    • STM32 MPUs
    • MEMS and sensors
    • Analog and audio
    • EMI filtering and signal conditioning
    • Interface and connectivity ICs
    • Power management
    • Quality & reliability
  • Learning
    • STM32 online courses
    • MEMS online courses
  • About
    • Community guidelines
    • Feedback forum
    • Community blog
    • Super User Program
      • About the program
  • Developer news
cancel
Turn on suggestions
Auto-suggest helps you quickly narrow down your search results by suggesting possible matches as you type.
Showing results for 
Search instead for 
Did you mean: 
  • STMicroelectronics Community
  • Albums for Community
  • Images in Public (Duck)
  • My Images for Duck

My Images for Duck

  • Albums
  • All Images
Image Options
  • Flag Image for Review
  • Bookmark
  • Subscribe to RSS Feed

Album: Public (Duck)

by Duck
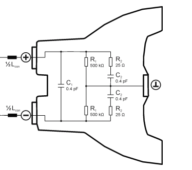
Across Crystal
OSC_IN to GND
OSC_OUT to GND
Duck_0-1763382766347.png
Duck_0-1763382766347.png
Duck_1-1763384431502.png
Duck_0-1763382766347.png
Previous
Duck_0-1763382766347.png
Next
Added ‎2025-11-17 4:32 AM
0 Kudos

You must be a registered user to add a comment on this image. If you've already registered, sign in. Otherwise, register and sign in.

  • Comment
Top
STMicro-logo

About STMicroelectronics

  • Who we are
  • Investor relations
  • Sustainability
  • Innovation & technology
  • Careers
  • Blog
  • General terms and conditions

Connect with us

  • Contact ST offices
  • Find sales offices & distributors
  • Community
  • Newsroom
  • Events & trainings
  • AI transparency

Browse

  • Shortcuts
  • Sitemap

Compliance, ethics & privacy

  • Ethics and compliance
  • ST ethics hotline
  • Privacy portal

Follow us

  • Twitter
  • Linkedin
  • Instagram
  • Facebook
  • Youtube

Legal

  • All rights reserved © 2025 STMicroelectronics
  • Terms of use
  • Sales terms & conditions
  • Trademarks
  • Privacy portal
  • Manage cookies