STMicroelectronics Community
FAQsSign In
  • Product forums
    • STM32 MCUs
      • STM32 MCUs Products
      • STM32 MCUs Boards and hardware tools
      • STM32 MCUs Software development tools
      • STM32 MCUs Embedded software
      • STM32 MCUs TouchGFX and GUI
      • STM32 MCUs Motor control
      • STM32 MCUs Security
      • STM32 MCUs Wireless
      • Others: STM32 MCUs related
    • STM32 MPUs
      • STM32 MPUs Products and hardware related
      • STM32 MPUs Embedded software and solutions
      • STM32 MPUs Software development tools
    • MEMS and sensors
      • MEMS (sensors)
      • Imaging (sensors)
    • Automotive and Transportation
      • Automotive MCUs
      • AutoDevKit Ecosystem
      • GNSS positioning
    • Edge AI
    • Interface and connectivity ICs
    • Power management
    • ST25 NFC/RFID tags and readers
    • STM8 MCUs
    • Others: hardware and software
    • Analog and audio
  • Knowledge base
    • STM32 MCUs
    • STM32 MPUs
    • MEMS and sensors
    • Analog and audio
    • EMI filtering and signal conditioning
    • Interface and connectivity ICs
    • Power management
    • Quality & reliability
  • Learning
    • STM32 online courses
    • MEMS online courses
  • About
    • Community guidelines
    • Feedback forum
    • Community blog
    • Super User Program
      • About the program
  • Developer news
cancel
Turn on suggestions
Auto-suggest helps you quickly narrow down your search results by suggesting possible matches as you type.
Showing results for 
Search instead for 
Did you mean: 
  • STMicroelectronics Community
  • Albums for Community
  • Images in Public (SWenn.1)
  • My Images for SWenn.1

My Images for SWenn.1

  • Albums
  • All Images
Image Options
  • Flag Image for Review
  • Bookmark
  • Subscribe to RSS Feed

Album: Public (SWenn.1)

by SWenn.1
SWenn1_0-1693933366701.png
SWenn1_0-1698933755201.png
SWenn1_0-1699279477692.png
_legacyfs_online_stmicro_images_0693W00000bidKaQAI.png
SWenn1_0-1708979653285.png
SWenn1_0-1709391554067.png
share_9054234092437931598.png
SWenn1_0-1709603433606.png
SWenn1_0-1709858454745.png
SWenn1_0-1710289336164.png
SWenn1_0-1711327223155.png
SWenn1_1-1711327337765.png
SWenn1_0-1711374148291.png
SWenn1_0-1713644503231.png
SWenn1_0-1727985145580.png
SWenn1_1-1727985289250.png
SWenn1_2-1727985487034.png
SWenn1_3-1727985654127.png
SWenn1_4-1727985677325.png
SWenn1_5-1727986236627.png
SWenn1_0-1732482589937.png
PXL_20241125_171619677.jpg
SWenn1_0-1732555539777.png
SWenn1_1-1732555583447.png
PXL_20241125_201428989.jpg
SWenn1_0-1733426589451.png
SWenn1_0-1733769512694.png
SWenn1_1-1733769549386.png
SWenn1_0-1734034477862.png
SWenn1_1-1734034500844.png
SWenn1_0-1733769512694.png
Previous
SWenn1_0-1733769512694.png
Next
Added ‎2024-12-09 10:38 AM
0 Kudos
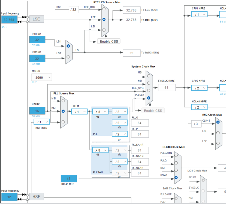
Posted in: STM32WB55RGVx --- why cannot I not select LSE on one of the projects? - ( ‎2024-12-09 10:39 AM )

You must be a registered user to add a comment on this image. If you've already registered, sign in. Otherwise, register and sign in.

  • Comment
Top
STMicro-logo

About STMicroelectronics

  • Who we are
  • Investor relations
  • Sustainability
  • Innovation & technology
  • Careers
  • Blog
  • General terms and conditions

Connect with us

  • Contact ST offices
  • Find sales offices & distributors
  • Community
  • Newsroom
  • Events & trainings
  • AI transparency

Browse

  • Shortcuts
  • Sitemap

Compliance, ethics & privacy

  • Ethics and compliance
  • ST ethics hotline
  • Privacy portal

Follow us

  • Twitter
  • Linkedin
  • Instagram
  • Facebook
  • Youtube

Legal

  • All rights reserved © 2025 STMicroelectronics
  • Terms of use
  • Sales terms & conditions
  • Trademarks
  • Privacy portal
  • Manage cookies