cancel
Showing results for 
Search instead for 
Did you mean: 

Questions for circuit design using the S2-LP

Dohyeon
Associate

Hi

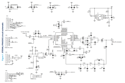
I am developing RF transceiver with S2-LPQTR, frequency range 413-479 MHz. Also I bought BALF-SPI2-02D3 which applies to 433MHz impedance matched balun filter. 

Based on the mentioned details, I referred to the following schematics for designing the circuit.

My main reference schematic is the first one(Figure 4. Suggested application diagram HPM/LPM...) since I planned to use BALF-SPI2-02D3.

To determine exact values of various components, I referred to other two schematics (Figure 1. STEVAL-FKI433V2... and Figure 7: S2-LP direct tie and...)

However, I still have two questions for designing the circuit.

First, I am curious about exact values of components (capacitor, inductor, resistor) for my setting. There are many undetermined values like TBD, NM, or 0.

Second, the crystal part is little bit different between the images. The crystal part of first and third images have only capacitor around the crystal. However, the crystal part of second image has various components and more complex design. I am confused which one is right.

It will be really thankful if anyone could solve my issue. Thank you!

Dohyeon_0-1729685853753.png

Dohyeon_1-1729685867461.png

 

Dohyeon_2-1729685883446.png

 

0 REPLIES 0