cancel
Showing results for 
Search instead for 
Did you mean: 

STM32MP157AAD3 Heat dissipation

Marudhupandian
Associate II

Why does the STM32MP157AAD3 have a higher heat or temperature? We have an STM32 board that has interfaces for PMIC, DDR3, temperature sensors, VOC, EMMC, LEDs, push buttons, WIFI+BLE modules, 8-pin connectors, wake-up switches are build in same board Sir, we have observed that the board can get as hot as 90 degrees Celsius when it is operating at full load. How can we deal with this heat problem? Could you please elaborate? I've included pictures of the board for your reference.

e9d01de1-478b-4109-8745-956cdc2112a0.jpg

8 REPLIES 8
PatrickF
ST Employee

Hi,

there is no magic around thermal, as the board is small and you are using the smallest STM32MP15x package, the heat dissipation is limited.

Is the 90C a concern ? What is the Tj (could go up to 125C for STM32MP157A)?

Is the PCB has enough power plane for good overall heat dissipation ?

Did you check with thermal camera what are the main contributors of heat ?

Did you built some product thermal study or simulation ?

What is your overall consumption (board 5V or ideally split power per supply ) ?

 

Few tips to reduce overall dissipation:

- use DDR3L instead of DDR3 (if not already the case)

- avoid using DDR termination resistors (i.e. VTT) as optional for x16 DDR (if not already the case)

- check carefully if any power waste (i.e. reduce LDO input voltages when possible, etc...)

 

Apart SW mitigation (i.e. clock throttling when Tj exceed some limits), then you might need to add some mechanical/thermal connection to the board to help heat to go outside the board/case.

 

Regards.

 

In order to give better visibility on the answered topics, please click on 'Accept as Solution' on the reply which solved your issue or answered your question.
Tip of the day: Try Sidekick STM32 AI agent, see here

Thank you for your valuable response....i will check and analyses you mentioned the issues... 

Marudhupandian_0-1723027428287.png

This is our VTT resistor, please explain this VTT resistor usage and why it is placed? explain sir?

Overall power consumption is 3.19W and 1.33A with 5V supply Board.

we are using DDR3L SDRAM sir (IS43TR16256BL-107MBLI).

check carefully if any power waste (i.e. reduce LDO input voltages when possible, etc...) - how to reduce this LDO input voltages sir please explain it?

we are used Multisided PCB board has good power plane for heat dissipation.

we checking process of SW coding ,

mechanical casing would be changed for air ventilations purpose in future.

I think Tj max limit is 96C in our board.

we did not build any product thermal study or simulation and her after we go to build for this simulation. please explain how to built a thermal simulation sir?

 

 

 

 

PatrickF
ST Employee

Hi

I try to answer some of your questions, but best would be to ask for local ST support as you have a contact as far as I know.

 

I'm puzzled with the "Overall power consumption is 3.19W and 1.33A with 5V supply Board."

1.33A on 5V is 6.65W (which seems huge). Could you split this power consumption by board subsystems ?

For reference, a STM32MP157F-DK2 running Starter Package demo is around 2W to 2.5W (with display).

If you look at AN5036, an STM32MP157-EV1 board with SoC consumption of ~1W is heating to less than 50C Tj (ambiant 25C). Board is much larger than yours.

 

VTT resistor are termination resistors used to avoid signal reflections on Address/Command lines of the DDR.
This is mandatory when there is 2 x DDR3L (i.e. x32 bit) and optional when there is a single DDR3L (x16 bit).

You could try unsoldering all the related resistors (RN1, RN2 and RN3), it might still work (if PCB routing is sufficiently good) with less consumption (around 200mW gain). But a PCB update is needed in the end to remove the stubs going to the removed resistors and VTT related lines/components, as well a SW update to remove unused VTT supply enable.

 

For LDO input voltage of STPMIC1, you could sometimes use another buck output (i.e. 3.3V) if LDO output voltage if lower (e.g. 1.8V). then you reduce the wasted power as you partly benefit of the Buck efficiency.

This is the case for LDO1/LDO6 on our DK2 board

PatrickF_0-1723033814662.png

 

I cannot help for thermal simulation as this is not an ST expertise. Need to go to 3rd party if you don't have experts.

First is to do study to see each component power consumption (from their datasheet or else) and check if measurements are aligned with theory.

 

Anyway, 96C Tj is probably normal for an heavy loaded CPU with a low heat dissipation HW (small board).

Up to Tj = 125C is allowed on STM32MP157A device, so no worry about that.

 

Regards.

 

In order to give better visibility on the answered topics, please click on 'Accept as Solution' on the reply which solved your issue or answered your question.
Tip of the day: Try Sidekick STM32 AI agent, see here

Thank you sir... for your valuable response...

Marudhupandian_0-1723094315636.png

 

we are using this connections of STPMIC used sir., Its ok or Not for LDO connections sie?

Marudhupandian_1-1723094418205.png

This is our Board subsystem Consumes the power dissipation.

Sir Please clarify, To reduce the resistance value of some IC's in the board, power dissipation will be decreased or not sir? i think it will be decreased. but how to reduce the resistance value in generally? please clarify this final question sir... I'm waiting for your positive responses.

Hi,

if I read well the table above, the consumption on VDD_3V3 is 440mA, which is quite huge (the absolute maximum rating in datasheet is precisely 440mA). If you really measure 440mA on your board, then there is likely some issues (IO conflict or else).

Is it measurements or just estimates from datasheets ?

You should do measurements on your board to understand where the (abnormal) power/heat is generated. This could be done by measuring current (if there is connections for that). alternatively, thermal camera could help a lot as well to focus on where most heat if generated.

 

By experience, 1000mW on heavy loaded STM32MP15 (mostly on VDDCORE) is possible and Tj=96C is also acceptable with small board and small package. Single DDR3L could be 250mW, DDR terminations could be 200mW. STPMIC1 efficiency is somewhat above 80%, so some hundred of mW dissipated on STPMIC1 should be expected as well. For other components, I cannot state.

 

Please clarify which issues you are facing (hot board is normal if really using 1.33A/5V=6.7W on a small board, but this power should not come only from MP15).

 

 

Regards.

In order to give better visibility on the answered topics, please click on 'Accept as Solution' on the reply which solved your issue or answered your question.
Tip of the day: Try Sidekick STM32 AI agent, see here

Marudhupandian_10-1723627511253.png

 

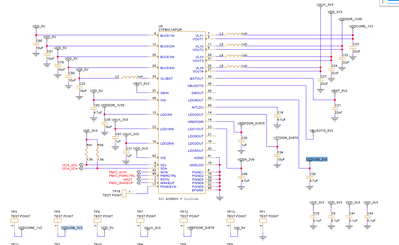
Good afternoon sir.,

One more doubt, sir. We are using this above PMIC in our processor board; here the TP4 and TP5 test point output voltage drop comes to 0V. Why is it coming to 0V, sir? Please explain this issue, sir and how to fix this issues sir?    I also attached where its voltages are going to other components in the processor board for your reference, sir.

TP5 - test point voltage drop out flows.

Marudhupandian_1-1723627101161.png

Marudhupandian_2-1723627169453.png

TP4 - test point voltage drop out flows.

Marudhupandian_3-1723627269639.pngMarudhupandian_4-1723627299972.pngMarudhupandian_5-1723627302645.pngMarudhupandian_6-1723627305547.png

Marudhupandian_7-1723627305848.png

Marudhupandian_8-1723627358479.png

 

 

 

Sorry for the inconvenience sir., i attached wrong TP10 test point images in previous message...here i attahed TP4 test point voltage drop out images for you reference sir.

Marudhupandian_0-1723628017492.png