cancel
Showing results for 
Search instead for 
Did you mean: 

STM32H7S3I8T6 Custom PCB Computer Doesn't Detect (USB DFU & ST-link)

sugar0ats
Associate

hey all,

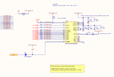
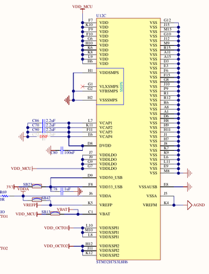
i'm working on a team where most people have little experience with stm32s, and we've designed and manufactured our first board with the STM32H7S3I8T6 chip. we followed the data sheet extensively and did a decent amount of research on peripheral values, and after soldering the chip onto the board we checked that all soldered connections were good (especially D+ and D- on the USB bus). some observations:

1. we tried to first use the USB DFU method using the STM32Cube Programmer, but when plugging the board into the computer, no new usb connection is detected (when holding down boot button to set BOOT0 high).

2. we tried using an ST-link module from a Nucleo board to program the board with SWD, but similarly, no device was detected when programming.

3. when checking the D+, D-, and LSE/HSE oscillator data lines, probing them using an oscilloscope results in no signal / very weak noise.

i'll attach our schematic for the chip, any and all feedback is greatly appreciated. currently, our hunch is that the chip itself is fried and we're looking to replace it. thank you!

 

sugar0ats_0-1768296505551.png

sugar0ats_1-1768296552065.png

 

sugar0ats_2-1768296605450.png

sugar0ats_3-1768296680420.pngsugar0ats_4-1768296697764.png

sugar0ats_5-1768296722640.png

 

1 REPLY 1
AScha.3
Super User

Hi,

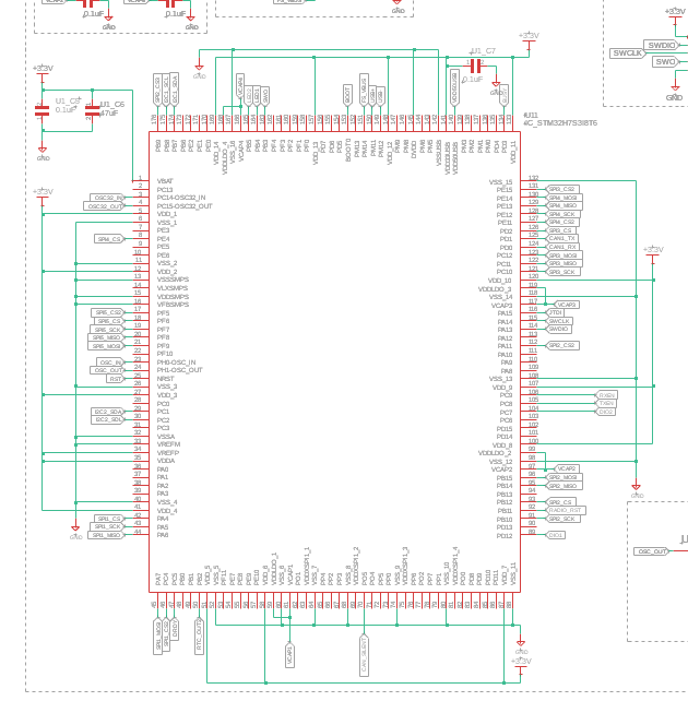
we've designed and manufactured our first board with the STM32H7S3I8T6 

...But did you look at rm and any "reference" board with H7S3 ? Doesn't seem so.

- vcap ...wrong.

- vdd xspi not connected, no xip ...this cpu needs it; only 64KB flash on chip, for boot...

- try again, respect minimum circuit requirement for this H7S3; maybe show circuit here, before producing it.

see nucleo circuit:   https://www.st.com/resource/en/schematic_pack/mb1737-h7s3l8-b02-schematic.pdf

 

AScha3_0-1768299282344.png

AScha3_1-1768299429049.png

AScha3_2-1768299530271.png

AScha3_3-1768299575054.png

AScha3_4-1768299609176.png

 

 

If you feel a post has answered your question, please click "Accept as Solution".