STMicroelectronics Community
FAQsSign In
  • Product forums
    • STM32 MCUs
      • STM32 MCUs Products
      • STM32 MCUs Boards and hardware tools
      • STM32 MCUs Software development tools
      • STM32 MCUs Embedded software
      • STM32 MCUs TouchGFX and GUI
      • STM32 MCUs Motor control
      • STM32 MCUs Security
      • STM32 MCUs Wireless
      • Others: STM32 MCUs related
    • STM32 MPUs
      • STM32 MPUs Products and hardware related
      • STM32 MPUs Embedded software and solutions
      • STM32 MPUs Software development tools
    • MEMS and sensors
      • MEMS (sensors)
      • Imaging (sensors)
    • Automotive and Transportation
      • Automotive MCUs
      • AutoDevKit Ecosystem
      • GNSS positioning
    • Edge AI
    • Interface and connectivity ICs
    • Power management
    • ST25 NFC/RFID tags and readers
    • STM8 MCUs
    • Others: hardware and software
    • Analog and audio
  • Knowledge base
    • STM32 MCUs
    • STM32 MPUs
    • MEMS and sensors
    • Analog and audio
    • EMI filtering and signal conditioning
    • Interface and connectivity ICs
    • Power management
    • Quality & reliability
  • Learning
    • STM32 online courses
    • MEMS online courses
  • About
    • Community guidelines
    • Feedback forum
    • Community blog
    • Super User Program
      • About the program
  • Developer news
cancel
Turn on suggestions
Auto-suggest helps you quickly narrow down your search results by suggesting possible matches as you type.
Showing results for 
Search instead for 
Did you mean: 
  • STMicroelectronics Community
  • Albums for Community
  • Images in Public (AScha.3)
  • My Images for AScha.3

My Images for AScha.3

  • Albums
  • All Images
Image Options
  • Flag Image for Review
  • Bookmark
  • Subscribe to RSS Feed

Album: Public (AScha.3)

by AScha.3
AScha3_1-1766836495484.png
AScha3_2-1766836656722.png
AScha3_0-1767180768673.png
AScha3_1-1767181289960.png
AScha3_0-1767269925066.png
AScha3_1-1767269976576.png
AScha3_2-1767270015512.png
AScha3_3-1767270077939.png
AScha3_4-1767270538791.png
AScha3_5-1767270576716.png
AScha3_0-1767451316071.png
AScha3_0-1767551538954.png
AScha3_1-1767551598616.png
AScha3_0-1767642934279.png
AScha3_0-1767694736214.png
AScha3_0-1767790710408.png
AScha3_1-1767790790769.png
AScha3_0-1767979955220.png
AScha3_0-1768246423192.png
AScha3_1-1768246560804.png
AScha3_0-1768290821753.png
AScha3_0-1768299282344.png
AScha3_1-1768299429049.png
AScha3_2-1768299530271.png
AScha3_3-1768299575054.png
AScha3_4-1768299609176.png
AScha3_0-1768302314331.png
AScha3_0-1768304737613.png
AScha3_0-1768310952742.png
AScha3_0-1768311798197.png
AScha3_1-1768311975227.png
AScha3_0-1768466125067.png
AScha3_0-1768548612184.png
AScha3_1-1768548778987.png
AScha3_0-1768571046194.png
AScha3_1-1768571129261.png
AScha3_0-1768576110843.png
AScha3_0-1768660160025.png
AScha3_1-1768660580811.png
AScha3_0-1768673989590.png
AScha3_0-1768680480813.png
AScha3_1-1768680649537.png
AScha3_0-1768744549199.png
AScha3_0-1768771229138.png
AScha3_0-1768806360260.png
AScha3_0-1768807089527.png
AScha3_1-1768807134008.png
AScha3_0-1768814687567.png
AScha3_0-1768817754789.png
AScha3_1-1768818053783.png
AScha3_4-1768299609176.png
Previous
AScha3_4-1768299609176.png
Next
Added ‎2026-01-13 2:20 AM
0 Kudos
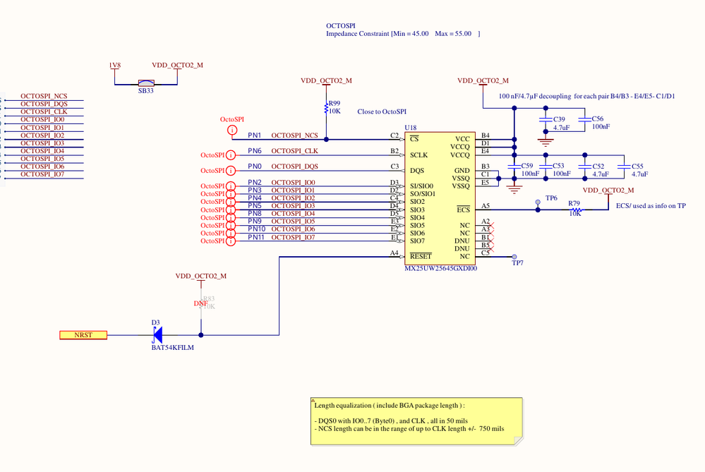
Posted in: Re: STM32H7S3I8T6 Custom PCB Computer Doesn't Detect (USB DFU & ST-link) - ( ‎2026-01-13 2:12 AM )

You must be a registered user to add a comment on this image. If you've already registered, sign in. Otherwise, register and sign in.

  • Comment
Top
STMicro-logo

About STMicroelectronics

  • Who we are
  • Investor relations
  • Sustainability
  • Innovation & technology
  • Careers
  • Blog
  • General terms and conditions

Connect with us

  • Contact ST offices
  • Find sales offices & distributors
  • Community
  • Newsroom
  • Events & trainings
  • AI transparency

Browse

  • Shortcuts
  • Sitemap

Compliance, ethics & privacy

  • Ethics and compliance
  • ST ethics hotline
  • Privacy portal

Follow us

  • Twitter
  • Linkedin
  • Instagram
  • Facebook
  • Youtube

Legal

  • All rights reserved © 2026 STMicroelectronics
  • Terms of use
  • Sales terms & conditions
  • Trademarks
  • Privacy portal
  • Manage cookies