STMicroelectronics Community
FAQsSign In
  • Product forums
    • STM32 MCUs
      • STM32 MCUs Products
      • STM32 MCUs Boards and hardware tools
      • STM32 MCUs Software development tools
      • STM32 MCUs Embedded software
      • STM32 MCUs TouchGFX and GUI
      • STM32 MCUs Motor control
      • STM32 MCUs Security
      • STM32 MCUs Wireless
      • Others: STM32 MCUs related
    • STM32 MPUs
      • STM32 MPUs Products and hardware related
      • STM32 MPUs Embedded software and solutions
      • STM32 MPUs Software development tools
    • MEMS and sensors
      • MEMS (sensors)
      • Imaging (sensors)
    • Automotive and Transportation
      • Automotive MCUs
      • AutoDevKit Ecosystem
      • GNSS positioning
    • Edge AI
    • Interface and connectivity ICs
    • Power management
    • ST25 NFC/RFID tags and readers
    • STM8 MCUs
    • Others: hardware and software
    • Analog and audio
  • Knowledge base
    • STM32 MCUs
    • STM32 MPUs
    • MEMS and sensors
    • Analog and audio
    • EMI filtering and signal conditioning
    • Interface and connectivity ICs
    • Power management
    • Quality & reliability
  • Learning
    • STM32 online courses
    • MEMS online courses
  • About
    • Community guidelines
    • Feedback forum
    • Community blog
    • Super User Program
      • About the program
  • Developer news
cancel
Turn on suggestions
Auto-suggest helps you quickly narrow down your search results by suggesting possible matches as you type.
Showing results for 
Search instead for 
Did you mean: 
  • STMicroelectronics Community
  • Albums for Community
  • Images in Public (Tesla DeLorean)
  • My Images for Tesla DeLorean

My Images for Tesla DeLorean

  • Albums
  • All Images
Image Options
  • Flag Image for Review
  • Bookmark
  • Subscribe to RSS Feed

Album: Public (Tesla DeLorean)

by Tesla DeLorean
st_z8530ab1.jpg
Taoglas_0100D.jpg
grind_gears_b.jpg
notify_renamed_post_001.jpg
20240708_101124_shrunk.jpg
20240708_104322_cropped.jpg
rm0490_rev3_pg776.jpg
selfrelated001.jpg
20240714_105724_rotated_shrunk.jpg
cubemx_select_version.jpg
STM32_SDIO_SDMMC_Card_Detect_Switch.jpg
login_redirect_failure_001.jpg
nucleo_marked_up.jpg
stm32g031jx_so8n.jpg
as5047u_rd_000.jpg
stlink_voltage.jpg
arduino_star_otto_back.jpg
broken_003.jpg
broken_002.jpg
broken_001.jpg
dst-1200.gif
mb1381_arduino_issue.jpg
h75x_pbx_af.jpg
mb1381_ard_d0_d1.jpg
stm32crc_only_odd.jpg
code_block_interference.jpg
stm32_hw_crc_model_002.jpg
stm32_hw_crc_model_003.jpg
fail003.jpg
u5_aes_ctr_001.jpg
u5_aes_ctr_003.jpg
u5_aes_ctr_002.jpg
u5_aes_ctr_004.jpg
20210825_190155_shrunk_cropped.jpg
stm32h72x_bypass.jpg
H753I_EVAL2_QSPI_001.jpg
cubeprogrammerdependency001.jpg
fig3.jpg
h753zi_32khz.jpg
f7canbits.jpg
IMG_L4T2_Clipped.jpg
IMG_L4T2_Clipped.jpg
IMG_L4T3_Cleaned.jpg
h723_stlink_v3.jpg
stm32h730ib_gpio_c_000.jpg
kicad_cropped.jpg
f469_pin1.jpg
stlink_pinone.jpg
stlink_with_cable.jpg
cable_pin_1.jpg
mb1381_arduino_issue.jpg
Previous
mb1381_arduino_issue.jpg
Next
Added ‎2024-10-05 5:58 PM
0 Kudos
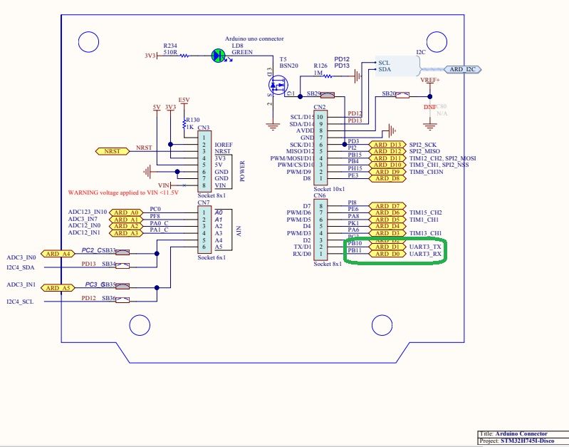
Posted in: Re: How can I use a serial port on the arduino connectors? - ( ‎2024-10-05 6:08 PM )

You must be a registered user to add a comment on this image. If you've already registered, sign in. Otherwise, register and sign in.

  • Comment
Top
STMicro-logo

About STMicroelectronics

  • Who we are
  • Investor relations
  • Sustainability
  • Innovation & technology
  • Careers
  • Blog
  • General terms and conditions

Connect with us

  • Contact ST offices
  • Find sales offices & distributors
  • Community
  • Newsroom
  • Events & trainings
  • AI transparency

Browse

  • Shortcuts
  • Sitemap

Compliance, ethics & privacy

  • Ethics and compliance
  • ST ethics hotline
  • Privacy portal

Follow us

  • Twitter
  • Linkedin
  • Instagram
  • Facebook
  • Youtube

Legal

  • All rights reserved © 2026 STMicroelectronics
  • Terms of use
  • Sales terms & conditions
  • Trademarks
  • Privacy portal
  • Manage cookies