cancel
Showing results for 
Search instead for 
Did you mean: 

STM32412CG UFQFPN48 MCO2 unexpected power consumption

dawidn
Associate

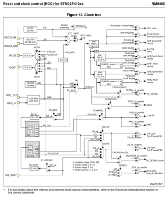
The STM32F412 chips have 2 MCO pins:

dawidn_1-1703147341553.png

The MCO2 pin can have 4 different source clocks:

dawidn_2-1703148081560.png

I've noticed that when I change the source from a default one (SYSCLK) to PLLI2S (PLLI2S not enabled) or HSE (not connected), the power consumption is reduced ~0,5mW. 

I'm using STM32F412CG chip in UFQFPN48 package. This chip version doesn't even have the MCO2 pin (PC9).

dawidn_3-1703148251704.png

I don't see such behavior for the MCO1 pin.

Have anybody encountered similar behavior? Doesn't it feel like a silicon bug?  

This discussion is locked. Please start a new topic to ask your question.
3 REPLIES 3
waclawek.jan
Super User

Read out and post content of GPIOC registers.

JW

dawidn
Associate

GPIOC MODER : 0xfc000000
GPIOC OTYPER : 0x00000000
GPIOC OSPEEDR: 0x00000000
GPIOC PUPDR: 0x00000000
GPIOC AFRL: 0x00000000
GPIOC AFRH: 0x00000000

 

It's all default values for PC9, since my package doesn't even have the PC9 pin.

dawidn_0-1703151493168.png

 

waclawek.jan
Super User

That's hummm then...

JW