cancel
Showing results for 
Search instead for 
Did you mean: 

STM32F407ZG USB DFU Device Descriptor Request Failed

LLawr.1
Associate II

I want to use the factory USB DFU bootloader for production programming. I have set BOOT0 to 1 and BOOT1 to 0, powered on the board, and plugged in the USB, and in device manager I get an unknown device (device descriptor request failed). I am not sure what I am doing wrong.

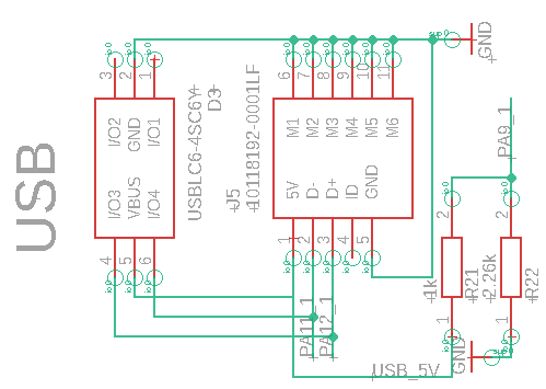
Schematics are as follows:

0693W00000LynsGQAR.pngIs there anything I am missing? I'm sure I followed AN4879 well enough for it to work...

This discussion is locked. Please start a new topic to ask your question.
1 REPLY 1
LLawr.1
Associate II

Ah, it would appear I overlooked the fact that I have a CAN transciever on PA11 & PA12. Removing that makes it work, but it takes quite a long time for the STM32 BOOTLOADER to appear in device manager. Any reason why that is?