cancel
Showing results for 
Search instead for 
Did you mean: 

The STM32 heats up after being powered on

giangpa
Associate II

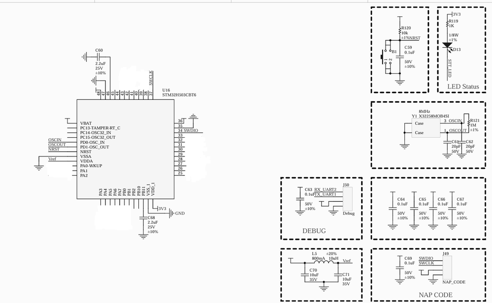
Screenshot 2024-07-23 152459.png

I am designing a custom board with an STM32H503CBT6, but after supplying 3.3V power, the chip heats up. I think it might be due to the power supply, so I have shared the schematic here. Please help me.

3 REPLIES 3
TDK
Super User

Schematic seems mostly okay, except:

  • Pins 1-24 are not marked with pin numbers
  • Pins 25-48 are not marked with pin names
  • "PB11" should be marked "VCAP".
  • BOOT0 should be pulled down
  • Pins "PD0/PD1" should be "PH0/PH1"

None of those should cause the chip to get hot.

Is the orientation correct? Pin 1 is on the bottom left when the text is oriented left to right.

Measure voltage on the two VCAPs. Is it 1.2 V or so?

Measure voltage on 3V3. Is it correct?

If you feel a post has answered your question, please click "Accept as Solution".

I measure voltage on the two VCAPs. it is 1.36V
voltage on VDD is 3.2V
voltage on VDDA is 3.2V

And i think the orientation is correct. I can still flash the program into the STM32 normally. 

One more thing is that when I flash the program, after unplugging and re-plugging the power, the LED does not light up (the program hangs). However, when I press the reset button, the LED blinks normally.

TDK
Super User

Let's define "heats up": How much? How are you measuring? Some amount of heating up is normal. The more objective measure would be to see how much current it's drawing and compare that against what is expected.

Typically a program hanging on startup is due to failure to initialize the clock. Perhaps your HSE is circuit is not great, verify the load capacitors are appropriate. You can attach a debugger to a chip that is running to see where execution is at.

If you feel a post has answered your question, please click "Accept as Solution".