cancel
Showing results for 
Search instead for 
Did you mean: 

Audio Codec connectivity with stm32U585aii6Q

sakshi
Associate III

Hi Everyone,

I wanted to add a audio codec with stm32U585aii6Q can anyone share he reference or guide how can it be done.

Thanks

Regards

Sakshi

1 ACCEPTED SOLUTION

Accepted Solutions

Hello,

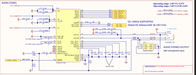
Normally you can use WM8994 as audio codec for STM32U5, it was already used in some ST Eval boards like STM32F769-EVAL using SAI interface:

(From STM32F769-EVAL schematics/MB1219). STL32U585AII6Q has tow SAI instances SAI1 and SAI2.

mALLEm_0-1766671597369.png

WM8994 driver is available here.

To give better visibility on the answered topics, please click on "Accept as Solution" on the reply which solved your issue or answered your question.

View solution in original post

3 REPLIES 3
mƎALLEm
ST Employee

Hello,

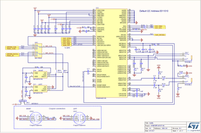
You can isnpire from STM32U575i evaluation board

mALLEm_0-1766661545359.png

It uses CS42L51 audio codec.

 

Edit: it seems CS42L51 is obsolete from Cirrus Logic website

It suggests a part number replacement:  WM8962B

mALLEm_0-1766662106381.png

Hope that helps

To give better visibility on the answered topics, please click on "Accept as Solution" on the reply which solved your issue or answered your question.

Hi 

Thankyou 

Can WM8994ECS/R  audio codec be used with stm32U585aii6Q

 

Thanks 

Regards

Sakshi

Hello,

Normally you can use WM8994 as audio codec for STM32U5, it was already used in some ST Eval boards like STM32F769-EVAL using SAI interface:

(From STM32F769-EVAL schematics/MB1219). STL32U585AII6Q has tow SAI instances SAI1 and SAI2.

mALLEm_0-1766671597369.png

WM8994 driver is available here.

To give better visibility on the answered topics, please click on "Accept as Solution" on the reply which solved your issue or answered your question.