cancel
Showing results for 
Search instead for 
Did you mean: 

B-L072-LRWAN1: Why is the TCXO powered from PA12?

Andrew Neil
Super User

ie, what drove the choice of PA12, specifically ?

Using PA12 means that you have to power-up the VDD_USB domain - which, I think, adds some extra current consumption. See:

https://community.st.com/s/question/0D53W00001Fncm7SAB/stm32l072-vddusb-supply-current-for-pa11-pa12

So why do that?

A complex system that works is invariably found to have evolved from a simple system that worked.
A complex system designed from scratch never works and cannot be patched up to make it work.
This discussion is locked. Please start a new topic to ask your question.
1 ACCEPTED SOLUTION

Accepted Solutions
TDK
Super User

Literally all of the pins on that chip are used. Something needs to go there, where else would you put it? A lot of the other potential pins are peripheral-specific and would suffer the same drawback. Probably not a specific choice but rather an artifact of what pins were left over after everything else was routed.

0693W00000Hoi7QQAR.png

If you feel a post has answered your question, please click "Accept as Solution".

View solution in original post

8 REPLIES 8
TDK
Super User

Literally all of the pins on that chip are used. Something needs to go there, where else would you put it? A lot of the other potential pins are peripheral-specific and would suffer the same drawback. Probably not a specific choice but rather an artifact of what pins were left over after everything else was routed.

0693W00000Hoi7QQAR.png

If you feel a post has answered your question, please click "Accept as Solution".

Ah yes, that's true for the B-L072-LRWAN1 (which, of course, is what I asked).

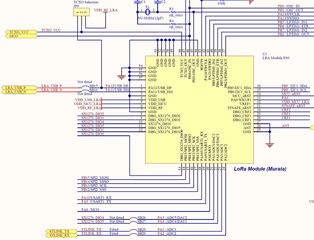
However, Murata have it in their "reference circuit" - where the majority of connections are uncommitted:

0693W00000HoiQ6QAJ.png 

but maybe their reasoning was the same?

A complex system that works is invariably found to have evolved from a simple system that worked.
A complex system designed from scratch never works and cannot be patched up to make it work.

Hmm, it could be. Or perhaps they just copied what ST did without thinking? Or maybe to have it be driven from a voltage other than VDD? Can't think of any other reason to have it like that.

FWIW, I doubt VDD_USB simply being present increases current consumption by a measureable amount, although I have no evidence to back that up.

If you feel a post has answered your question, please click "Accept as Solution".

As noted in the other thread, I do have reason to believe that VDD_USB simply being present increases current consumption by a measurable amount

"measurable" being in the context of the ~ uA sleep levels ...

A complex system that works is invariably found to have evolved from a simple system that worked.
A complex system designed from scratch never works and cannot be patched up to make it work.

Yeah, probably a chicken/egg dilemma. Default/common software builds, and the resistance to changing/forking.

It might be accommodative of higher current TCXO? Or voltages

Tips, Buy me a coffee, or three.. PayPal Venmo
Up vote any posts that you find helpful, it shows what's working..

"probably a chicken/egg dilemma"

Indeed.

"It might be accommodative of higher current TCXO? Or voltages"

Have been scouring the datasheet for such things and, apart from being powered by VDD_USB, cannot see any difference at all between PA11,12 and any other 'FT' GPIO.

A complex system that works is invariably found to have evolved from a simple system that worked.
A complex system designed from scratch never works and cannot be patched up to make it work.
waclawek.jan
Super User

IMO VDD_USB in itself has negligible static consumption (sub-sub-uA), whether used for USB or not. After all, it's just a bunch of level shifters, which in turn are only a few relatively small MOSFETs loaded directly by gates of the output MOSFETs.

JW

waclawek.jan
Super User

Also, as VDD_USB current is shared only by two pins, their individual loading is relatively well defined and independent on load on other pins.

See Current characteristics table in DS, Total output current sunk by sum of all IOs and control pins except PA11 and PA12 versus Total output current sunk by PA11 and PA12.

JW