cancel
Showing results for 
Search instead for 
Did you mean: 

STM32H745: No device found on target on a custom board

Hank_Schrader
Visitor

Hello,
I designed a custom PCB using the STM32H745IIT6 (LQFP176) and I cannot connect to the MCU using SWD with an ST-LINK V2. I always get “Error in final launch sequence / No device found on target”.

Hardware summary:

  • VDD, VDDA, VREF+ → 3.3V

  • VCAP1/2/3 → 2.2 µF

  • VDDLDO → not connected

  • BOOT0 → GND

  • NRST → 10k pull-up + 100nF

  • Board current consumption: 8.5 mA

SWD wiring:

  • SWCLK → PA14

  • SWDIO → PA13

  • NRST → NRST

  • GND → GND

  • 3.3V → board 3.3V rail (sense)

  • SWO not connected

  • 10k resistors on SWCLK/SWDIO were removed for testing.

Observations:

  • PA13 measures ~0.38–0.42 V when ST-LINK is not connected (floating)

  • ST-LINK LED stays red (never turns green)

  • CubeIDE: SWD, “Connect under reset”, 1000 kHz

  • CubeMX power mode:  PWR_DIRECT_SMPS_SUPPLY.

Question:

What could cause SWD to fail with this configuration?

7 REPLIES 7
AScha.3
Super User

Hi,

What could cause SWD to fail with this configuration?

Most times hardware, power setting vs real setup; or wrong connected/bad soldering/contacts.

So whats at Vcap ? (core voltage)

+

try connect with CubeProgrammer , under reset. (your V2 is genuine or a "stick" ? this might not work.)

If you feel a post has answered your question, please click "Accept as Solution".
Andrew Neil
Super User

Welcome to the forum.

Please see How to write your question to maximize your chances to find a solution for best results.

 


@Hank_Schrader wrote:

I cannot connect to the MCU using SWD with an ST-LINK V2. ?


Is it a genuine SY-Link?

See: How to recognize a genuine ST-LINK/V2 versus a cloned one.

 


@Hank_Schrader wrote:

 I always get “Error in final launch sequence / No device found on target”.?


Where, exactly, do you get that?

Please show the full log, and screenshots of any pop-up messages.

See:

How to solve connection errors when connecting and programming the STM32 target board.

How to solve debugger connection issues.

A complex system that works is invariably found to have evolved from a simple system that worked.
A complex system designed from scratch never works and cannot be patched up to make it work.
mƎALLEm
ST Employee

Hello @Hank_Schrader and welcome to the ST community,

You said:


@Hank_Schrader wrote:
  • CubeMX power mode:  PWR_DIRECT_SMPS_SUPPLY.

But according to your schematic, SMPS is almost not connected.

mALLEm_0-1763113779637.png

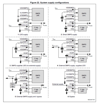
From the RM0399 / figure 22, this is the hardware configuration for the direct SMPS:

mALLEm_1-1763114000537.png

The question is, how did you design your board? did you refer to any reference design? 

NUCLEO-H755 board schematics for example?

The following are the different HW power config listed in the reference manual. Did you refer to the documentations: reference manual, the datasheet or the AN4938 before starting your design?:

mALLEm_2-1763114211014.png

 

To give better visibility on the answered topics, please click on "Accept as Solution" on the reply which solved your issue or answered your question.

Hi, and thank you for your previous answer and for pointing me to RM0399 / figure 22.

I am quite new to the STM32H7 power configuration, so I may have misunderstood the datasheet and reference manual. I am using an STM32H745BI with only an external 3.3 V LDO (no SMPS components on my board).

In CubeMX I have changed the power configuration from PWR_DIRECT_SMPS_SUPPLY to PWR_EXTERNAL_SOURCE_SUPPLY

Right now my board is wired like this:

  • VDDx: 3.3 V, each with 100 nF decoupling

  • VSSx, VSSA: GND

  • VBAT: not connected

  • VSSSMPS: GND

  • VLXSMPS: not connected

  • VDDSMPS: not connected

  • VFBSMPS: not connected

  • VCAP1 / VCAP2 / VCAP3: 2.2 µF to GND

  • VDDLDO_1 / VDDLDO_2 / VDDLDO_3: not connected

  • PDR_ON: 0 Ω to GND

SWD is not working reliably and I suspect my power-pin connections are wrong.

For a pure LDO-only supply (no SMPS hardware) could you please tell me how these pins should be connected?

  1. VBAT

  2. VDDSMPS

  3. VDDLDO_1 / VDDLDO_2 / VDDLDO_3

  4. VLXSMPS, VFBSMPS, VSSSMPS (when SMPS is not populated)

  5. PDR_ON – is tying it to GND with 0 Ω correct in this configuration?

If possible, a short checklist or a small sketch (similar to figure 22) for this exact case would help me a lot.

Thank you again for your support!

 

Hi, thank you very much for your reply.

My VCAP pins are connected with 2.2 µF capacitors to GND as recommended in the datasheet.

At this point I think the issue may be related to the LDO/SMPS power configuration.
My board does not have any SMPS components populated, and I originally selected an SMPS mode in CubeMX by mistake. I have now switched to PWR_EXTERNAL_SOURCE_SUPPLY, but some pins like VDDLDO_x and VDDSMPS were left unconnected on my PCB.

I suspect this mismatch between the CubeMX power mode and the actual hardware (LDO-only) might be the reason why SWD fails.

Thanks again for your help!

Hi Andrew, thanks for your reply.

My ST-LINK V2 is genuine.
I still get “No device found on target”, even when using CubeProgrammer with “Connect under Reset”.

My board uses an STM32H745BI with only a 3.3 V LDO (no SMPS).
Some power pins like VDDLDO_x, VDDSMPS, VBAT were left unconnected, so I think this wrong power configuration might be preventing VCORE from powering up, causing the SWD error.

VCAP pins have 2.2 µF.

I can provide logs/screenshots if needed.

Thanks.

I think you are mixing between the function of your 3.3V LDO regulator and the External SMPS function.

So you have an external 3.3V LDO to be connected to VDD of the MCU, right?

So use LDO mode instead (the LDO internal to the chip), and refer to one of the design reference:

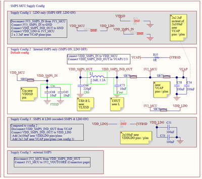
Look at the NUCLEO-H745 schematic and inspire from. It proposes many power config:

mALLEm_0-1763121784776.png

Hard to explain all the stuff here. You need to refer to the reference design.

To give better visibility on the answered topics, please click on "Accept as Solution" on the reply which solved your issue or answered your question.