cancel
Showing results for 
Search instead for 
Did you mean: 

Minimum hardware requirements for STM32F765

greenalien
Associate II

Can anyone tell me or direct me to a source that shows the minimum connections needed to power up and serially program a STM32F765ZGT6? (144 pin package.)

I will be attaching the chip to a breakout board and will be using a St-Link Minie3. 

Any help much appreciated.

1 ACCEPTED SOLUTION

Accepted Solutions
mƎALLEm
ST Employee

Hello @greenalien and welcome to the ST community,


@greenalien wrote:

Can anyone tell me or direct me to a source that shows the minimum connections needed to power up and serially program a STM32F765ZGT6? (144 pin package.)


Please refer to the AN4661 "Getting started with STM32F7 Series MCU hardware development"  especially the figure 24:

mALLEm_0-1766758070009.png

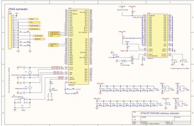
For ST-Link connections, you can inspire from NUCLEO-F767ZI board schematics:

mALLEm_0-1766759918650.png

mALLEm_1-1766760052511.png

Hope that helps.

To give better visibility on the answered topics, please click on "Accept as Solution" on the reply which solved your issue or answered your question.

View solution in original post

4 REPLIES 4
mƎALLEm
ST Employee

Hello @greenalien and welcome to the ST community,


@greenalien wrote:

Can anyone tell me or direct me to a source that shows the minimum connections needed to power up and serially program a STM32F765ZGT6? (144 pin package.)


Please refer to the AN4661 "Getting started with STM32F7 Series MCU hardware development"  especially the figure 24:

mALLEm_0-1766758070009.png

For ST-Link connections, you can inspire from NUCLEO-F767ZI board schematics:

mALLEm_0-1766759918650.png

mALLEm_1-1766760052511.png

Hope that helps.

To give better visibility on the answered topics, please click on "Accept as Solution" on the reply which solved your issue or answered your question.
TDK
Super User

In addition, if by "serially program" you mean over UART, see AN2606 for how to enter the bootloader and the supported pins. The RX/TX pins on pins on the ST-LINK/V3MINIE can be used.

If you feel a post has answered your question, please click "Accept as Solution".
i'm planning on using SWD programming via SWDIO and SWCLK

Thank you for that helpful reply - Much appreciated.