cancel
Showing results for 
Search instead for 
Did you mean: 

I2S clock soruce - internal MSI RC or external HSE ?

freeflyer
Senior III

I am using I2S (SAI) on the STM32L433 nucleo board and using the internal MSI RC as the clock source.

I also have a 32.768kHz LSE external crystral which I believe helps to make the MSI RC clock more accurate when used with PLL.

Is the internal MSI RC clock suitable for I2S, or do I need to use an external crystal HSE (12.288MHz) ?

I do get occasional glitches/clicking but I am using development boards with jumper wires, even a small amount of movement with these wires cause issues.

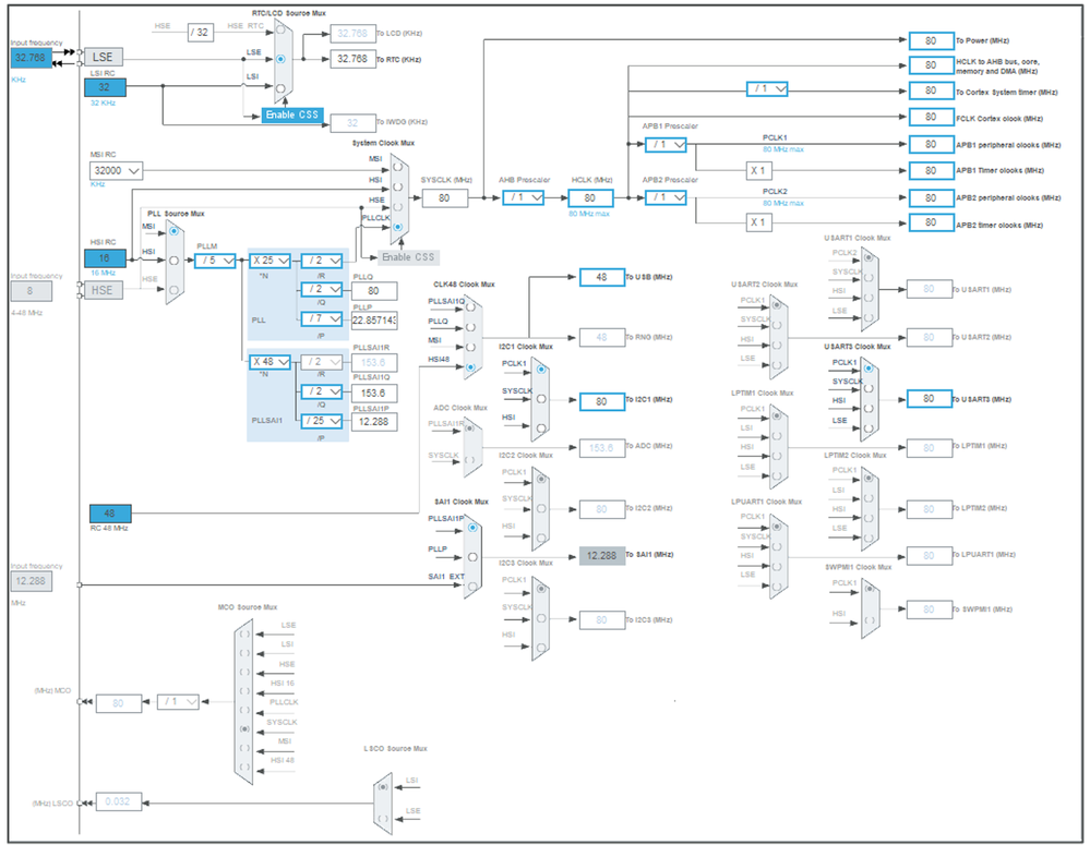
The clock configuration is below...

freeflyer_0-1766003498399.png

The STM32 is configured to be the I2S master which receives audio from a bluetooth receiver (BT401) and passes that audio through to a class D amp (MAX98357A) as shown below...

 

freeflyer_2-1766003858857.png

 

When certain events occur, voice prompt audio is injeteced into one channel which is stored in external flash connected to the STM32 SPI .

0 REPLIES 0