cancel
Showing results for 
Search instead for 
Did you mean: 

ST-Link Error on a custom hardware board

richi
Associate III

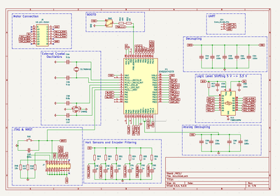
Hello,


recently I made a board for a project and was planning to flash firmware  with ST-LINK/V2. However, when I wanted to flash a test program I got a message from Console:

Target no device found

Error in initializing ST-LINK device.
Reason: No device found on target.

 

I checked all the connections and VDD pins with decoupling caps and looks like everything is properly connected. Yet still I don't understand what is the reason of not connecting. Schematic of the project:

richi_0-1766317061884.png

Physical connections:
Attached as connections.jpeg

 

 


I upgraded ST-LINK tool to the latest version and the MCU I am using is STM32G474CET3

ST-LINK/V2 model: B202533
Most of the design is just copied from the Reference design STM32G4 Series document.


Any help is highly appreciated.


connections.jpeg

1 ACCEPTED SOLUTION

Accepted Solutions
TDK
Super User

TDK_1-1766327386132.png

Pins 1 or 2 need to be connected to VDD in order for the level shifters to work. It is not optional.

TDK_0-1766327286287.png

Voltage needs to be reported correctly in STM32CubeProgrammer.

If you feel a post has answered your question, please click "Accept as Solution".

View solution in original post

5 REPLIES 5
MM..1
Chief III

Primary SWD is short single wire debug, not 20 wires... but right connection require minimum info blocked on image. Is your V2 ISOL ? 

richi
Associate III
TDK
Super User

TDK_1-1766327386132.png

Pins 1 or 2 need to be connected to VDD in order for the level shifters to work. It is not optional.

TDK_0-1766327286287.png

Voltage needs to be reported correctly in STM32CubeProgrammer.

If you feel a post has answered your question, please click "Accept as Solution".
richi
Associate III

Okay providing +3V3 to pins 1 and 2 solved the problem. But just temporarily. I can flash the program but I am unable to see register content , Live Variables, Variables, literally everything is greyed out. This is my .ioc:

richi_0-1766331784613.png

 

TDK
Super User

If you have a new problem, mark a solution here and ask it in a new thread. Provide a relevant screenshot. Nothing is grayed out in the screenshot you provided.

If you feel a post has answered your question, please click "Accept as Solution".