cancel
Showing results for 
Search instead for 
Did you mean: 

Nucleo-L476RG higher current than expected in STOP2 mode

Snowcone_engineer
Associate II

I purchased a Nucleo-L476RG eval board and downloaded the PWR STOP2 RTC example code to test for a low power application.

After following the instructions for the jumper settings outlined in UM1724 for external power, I built and tried the example. The user LED blinked for five seconds then stopped as the board went into power-down/STOP2 mode for several seconds.

This all appeared correct but instead of the expected STOP2 current of about 1.5uA, the current was about 450uA.

I searched the STMicroelectronics Community and tried several different fixes for similar problems on other boards. But nothing worked.

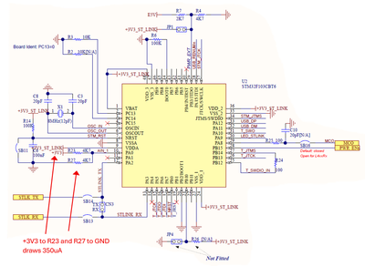
The provided PWR_STOP_RTC code is good and correct. So, I examined the schematic more closely and found extra required jumper settings and power connections not mentioned in the UM1724 user manual.

UM1724 (7.3.3) states to apply +3.3V to CN6-4, CN7-12, 16. And SB2 and SB12 are removed.

The problem is applying external +3.3V to the +3V3 net at CN6-4 which draws excess current into R23 and R27 of the debug MCU U2 (STM32F103CBT6). Instead, external power should be applied to CN7-5 (VDD). VDD is the power net used only by the target MCU U5.
Additionally, the following changes were made:
Remove jumpers: CN2 x 2
Remove CB15 (and SB2 & SB12)
Remove JP6

First program the board before making all these changes, otherwise the program section and USB interface won't work anymore.

After programming the board and making these changes, the USB connector is removed, and the board is externally powered with +3.3V via CN7-5.

The normal LED blink current is about 12mA and the STOP2 mode is now 1.5uA. 

Snowcone_engineer_0-1762475979327.png

Snowcone_engineer_1-1762476025749.pngSnowcone_engineer_2-1762476074416.png

 

 

 

3 REPLIES 3
EZHON.1
ST Employee

Good job! if you test on JP6 with multimeter, don't need so many reworks. Except shut up the STLINK/V2, please also take care of the SB12 for reset current injection when STLINK power off.

Thanks for the reply and feedback. You are correct, I could input the external +3.3V into JP6, but with jumper removed and NOT connected to net +3V3. The external +3.3V must be only connected to the VDD net at JP6 (or CN7-5).

I use a "Current Ranger" sensing device to measure nA, uA, and mA with very low burden voltage. This device injects the +3.3V external voltage directly into VDD of the target board. One must be careful to not power and measure other nets on the board (i.e. STLINK/V2 related devices/parts). 

After disabling the onboard STLINK program/debugger, it makes it harder to modify and reprogram the target MCU.
I also purchased a STLINK-V3SET debugger/programmer for STM8 and STM32. But unfortunately, Nucleo-L476RG does not have a standard connect that mates directly with the STLINK-V3SET 14 pin JTAG/SWD connector. The STLINK-V3SET even comes with a 14-pin flat ribbon cable, but there's no place to plug it into the Nucleo-L476RG. I'll have to make a custom cable or use individual flying leads. Maybe next time.

 

Snowcone_engineer_1-1762578438325.png

 

Snowcone_engineer_0-1762578341047.png

 

 


"After disabling the onboard STLINK program/debugger, it makes it harder to modify and reprogram the target MCU."

I think you mean you enter "STOP2" mode, it's difficult to connect the target MCU. 

The solution is: push the RESET button, when connects the target MCU using STLINK, release the button. it should be OK to connect and then program/debugger.