cancel
Showing results for 
Search instead for 
Did you mean: 

NUCLEO-F767ZI USB Host repeatedly connects then disconnects

PeppersONLY
Associate III

Hello all,

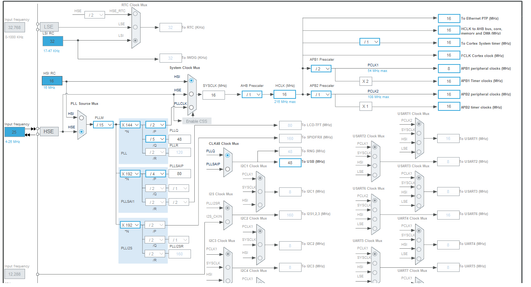
I've come here for a issue I failed to debug. My setup is as follows: I have a NUCLEO-F767Z development board and im debugging/programming it through the onboard STLINKV2 with SWO enabled. I am simply just trying to get a USB device to enumerate. I have configured the USB_FS host to the drive VBUS through pin PG6 where the USB power switcher is on the nucleo. My clock configuration is shown in the attached image. When plugging in a USB mouse (that works on my PC) through a USB A Female to USB Micro Male adapter, the SWV console prints forever: 

USB Device Connected
USB Device Reset Completed
ERROR: Control error: Device not responding
USB Device Connected
USB Device disconnected
USB Device Connected
USB Device disconnected
USB Device Connected
USB Device disconnected
USB Device Connected
USB Device disconnected
USB Device Connected
USB Device disconnected
USB Device Connected
USB Device disconnected
USB Device Connected
USB Device disconnected
USB Device Connected
USB Device disconnected

I thought this may be a power issue but measuring the input voltage on the mouse USB pins, it goes up to about 4.8-4.9V right when plugged in so I don't see a issue. The only odd thing that happens is when I plug the mouse into my computer, its cycling LED lights or whatever you wanna call it turn on but not when plugged into my board. (This could just be because they only work when the mouse is enumerated)

I don't really know how to go about debugging this any further or if anyone else has any ideas? Thanks!

 

PeppersONLY_0-1768535582342.png

 

0 REPLIES 0