cancel
Showing results for 
Search instead for 
Did you mean: 

HSE oscillator does not work on Nucleo-U385RG-Q board

Spiker
Associate II

I try to get the HSE working on a Nucleo-U385RG-Q board by the standard settings in the STM32CubeIDE, but can't get it to work. I changed the default soldering connections per the UM3062 User manual to SB19 and SB21 Off, SB20 Off, SB3 and SB4 On. I monitored the HSE by redirecting it to the MCO pin (PA8 / D7). but got no signal. I monitored other clock signals, like the external LSE and the internal high speed oscillator via the MCO pin and had no problem to get a signal out.

Though the Cube's settings should start up the HSE, it didn't, and even when I added a line of code (RCC->CR |= RCC_CR_HSEON;) to enable the HSE oscillator, I did not get anything.

I have no problem to get this working on a Nucleo-C092RC board, so I wonder whether there is something wrong with the HSE oscillator on the Nucleo-U385RG-Q or with the soldering settings recommended in the manual.

I would appreciate any feedback, because I purchased more than 100 of these boards to use in an experiment, and I do need the precision of the HSE oscillator.

11 REPLIES 11
AScha.3
Super User

Hi,

> to enable the HSE oscillator, I did not get anything.

Nothing wrong with you or the board. :)

Just - there is no HSE crystal !

from -> https://www.st.com/en/evaluation-tools/nucleo-u385rg-q.html#cad-resources

see circuit:

AScha3_0-1768290821753.png

Clock coming from st-link, so set hse bypass and it should work. (with default solder bridges )

And maybe do update the st-link, there you can decide which clock is coming to the U385 , 16M probably.

So it only can work with powered and running st-link cpu; if you want U385 having its own clock,

you have to solder the missing parts, 16MHz crystal and caps, and adjust the solder bridges to have the crystal connected and st-link disconnected.

If you feel a post has answered your question, please click "Accept as Solution".
Gyessine
ST Employee

Hello @Spiker and welcome to STcommunity
as you can see in the board scheamtics the HSE clock is not implemented for cost reduction purposes

Gyessine_0-1768291560482.png

you didn't find any problems with the Nucleo-C092RC because the board supports a HSE buy default

Gyessine_1-1768291580523.png

you can use the Bypass mode to use the HSE clock of the STlink but check the frequency
I hope that this information helps you solve your problem.

Gyessine

 

To give better visibility on the answered topics, please click on Accept as Solution on the reply which solved your issue or answered your question.

Spiker
Associate II

AScha.3 and Geyssine,

Thanks a lot for your feedback and for your welcome to the ST Community. Now I understand that indeed there is no external HSE oscillator (x2) from the circuit diagram. Inspection of the board confirms this.

I tried ByPass mode and set the frequency to 8MHz, but I did not get it working yet. The manual appears to indicate that by default this board does not have an MCO connection from the STLINK-V3EC, so I will make and break some soldering connections, and try again.

To be continued...

see circuit:

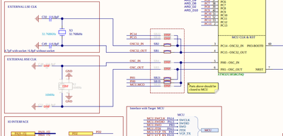
AScha3_0-1768311798197.png

AScha3_1-1768311975227.png

So sb19 closed, as it was. then you get the MCO from the st-link.

 

If you feel a post has answered your question, please click "Accept as Solution".

I agree that the circuit diagram implies that PH0 should be available to the U385 MCU. The connection of SB19 is indeed present on the board. The manual of the board is a bit ambiguous, but I will go with the circuit diagram, because that appears more reliable. I did not make or break soldering connections, so the original board is used.

I tried measuring the PH0 pin, but still got no signal.

I attach two screen shots to show my clock tree and the RCC settings.

Am I doing something wrong here?

ClockConfiguration.png

PinoutConfiguration.png

Gyessine
ST Employee

Helo @Spiker 
to visualize MCO, you need to enable it in the .ioc file then track it buy using the PA8 pin
after ensuring that all necessary solder bridges are closed

Gyessine_1-1768378259830.png

BR
Gyessine

 

 

To give better visibility on the answered topics, please click on Accept as Solution on the reply which solved your issue or answered your question.

>Am I doing something wrong here?

I dont think so, if sb19 still connected/soldered you should see the clock there, check with scope.

If nothing here...cpu cannot work on HSE (= zero ).

+

But see: from the clock tree and whats on the board: this cpu should be used with the internal MSK/MSIS clocks,

as only they can generate up to 96MHz (and can have PLL from 32k LSE crystal, which is on the board.)

So I wouldn't concern myself further with the HSE clock ( if there's no clock signal at SB19 anyway) and 

use the MSIS clock and set it to the speed i want.

If you feel a post has answered your question, please click "Accept as Solution".

I monitored the clock signal on pin 29 of the board, which is connected to PH0, but did not get a signal there.

Actually, I also tried monitoring via MCO (pin PA8 / D7), but did not get a signal there either.

In all my trials I used a logic analyzer, which proved sufficient to get out a signal when I used an internal clock, so I guess it should work in this case too, but I will try again with oscilloscope.

 

OK, I will check with scope on SB19.

Unfortunately, use of the internal oscillator is not an option for me, because I need to generate pulses with high accuracy in time.