cancel
Showing results for 
Search instead for 
Did you mean: 

Review of Custom STSPIN32G4 Schematic

ElGuerrero91
Visitor

Hi everyone,

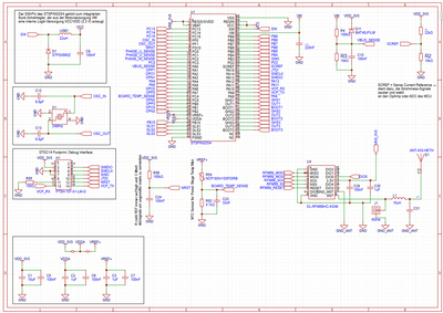
I’m new to STM32 and working on a custom board using the STSPIN32G4 to drive a 3-phase BLDC motor (max 1000 W). The board will be powered by a 7-cell Li-ion pack (max 29.4 V, up to 30 A). I would appreciate a general schematic review.

Could you please check the following points:

  1. Debug interface – Is the STDC14 wiring correct? I want to use the STLINK-V3SET Debugger!

  2. Power routing – Are VDD_3V3, VDDA, VREF+, REGIN, and VCC connected properly and decoupled with the correct capacitors?

  3. Decoupling – Can any of the VDDA / VREF+ / VDD capacitors be safely reduced?

  4. TVS diode on VM – For the 29.4 V input, should I use a unidirectional or bidirectional TVS diode at the VM input? I’ve seen both approaches online but not sure which approach is best practice. 

  5. RFM69 supply – Is it safe to power the RFM69 from VDD_3V (internal LDO), given ~140 mA peak and ~10–30 mA continuous (≈1% duty cycle), noting the STSPIN32G4 LDO is limited to 150 mA?

  6. SPI pin conflict – All SPI1, 2, 3 pins are occupied. How can I connect the SPI pins of the RFM69 under these constraints? In the following, the overview of occupied SPI pins:

    ElGuerrero91_0-1765139629378.png

     

 

My Schematic:

Screenshot 2025-12-07 194032.png

 

 

Thanks a lot for your guidance!

0 REPLIES 0